礦山輸送機械的液壓缸按結構的不同可分為柱塞缸和活塞缸,而柱塞缸通常多為單通口缸,活塞缸則多為雙通口缸,液壓缸是實施機構達成往復運動的元件,它輸入的性能是液體的流量和壓力,輸出的性能則是實施機構的力、輸出速度/位移、和功率等,對于本液壓繃緊系統,使用的是雙通口的活塞缸。

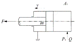
圖1 液壓缸動態了解圖
圖1為液壓缸的動態了解圖,當液壓缸所輸出的力與載荷相等時,而且輸入的液體流量恒定期,如果油缸不變,組活塞桿作勻速運動,液壓缸的特性穩定,當輸入流量不變而載荷出現變化時,或負載不變而流量出現變化時,活塞桿的運動速度就會出現變化,這一過程當中負載或輸入流量變化與活塞桿速度變化之間的聯系就是液壓缸的動態特性,另外,液壓缸活塞在很低的速度下移動時,可能會出現的爬行現象也是礦山輸送機械的動態特性之一。為此,這里用m表示活塞桿參與運動的那部分性能,F表示液壓缸推力的大小,P1和Q分別表示液壓缸輸入液體的壓力和流量,則可得出液壓缸輸入油液持續性方程為:

廠家銷售部:18336065555
售后服務部:0373-4222222